新宝gg创造奇迹
CR Home 华润网群
繁體版
首页
全景先容
公司概况
企业文化
视频专区
联系新宝gg创造奇迹
新闻资讯
公司新闻
通知通告
媒体传真
公司大事记
专题专栏
投资者关系
公司治理
公司管理层
股票信息
暂时通告
按期报告
投资者服务
三九网群
华润老桐君
新宝gg创造奇迹(北京)
新宝gg创造奇迹(枣庄)
新宝gg创造奇迹(南昌)
新宝gg创造奇迹(黄石)
新宝gg创造奇迹(郴州)
华润顺峰
华润本溪三药
华润天和
三九金复康
九星印刷
大康健事业部
专业品牌事业部
国药事业部
立异营业事业部
处方药事业部
工业链专班
新宝gg创造奇迹医贸
三九康健天地
新宝gg创造奇迹(香港)
中药立异中心
产品与服务
营业领域
产品展示
客户服务
不良反应
社会责任
责任理念
责任报告
责任运动
责任声誉
EHS专题
ESG专区
人力资源
人才招聘
人才选用
风范展示
信息果真
公司治理
生长效果
人事情换
认真人薪酬
阳光宣言
商业行为规范
联系新宝gg创造奇迹
网站地图
隐私条款
免责声明
社会责任
责任理念
责任报告
责任运动
责任声誉
EHS专题
EHS资讯
EHS声誉
ESG专区
相关政策
ESG实践
EHS资讯
首页
>
社会责任
>
EHS专题
>
EHS资讯
2019.05.13
新宝gg创造奇迹废水检测报告(2018年7月)
相识更多>>>
2019.04.08
新宝gg创造奇迹废水检测报告(2018年5月)
相识更多>>>
2019.03.29
华润金蟾污染物排放检测报告(一季度)
相识更多>>>
2019.03.21
新宝gg创造奇迹废气检测报告(2018年12月)
相识更多>>>
2019.03.21
新宝gg创造奇迹废气检测报告(2018年9月)
相识更多>>>
2019.03.21
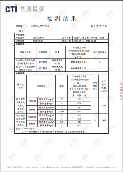
新宝gg创造奇迹废气检测报告(2018年7月)
相识更多>>>
2019.03.21
新宝gg创造奇迹废气检测报告(2018年6-7月)
相识更多>>>
2019.03.21
新宝gg创造奇迹废气检测报告(2018年6月)
相识更多>>>
上一页
1
...
8
9
10
...
13
下一页
共13页
101条纪录
跳至:
页
确定
联系方法
|
网站地图
|
免责声明
|
隐私条款
互联网药品信息服务资格证书 (粤)—非谋划性—2021—0179
Copyright ? 新宝gg创造奇迹 粤ICP备11086523号 手艺支持:新宝gg创造奇迹智能与数字化中心
返回到首页
回到顶部
网站地图